Реле ближнего света ваз 2110 где находится: Мон...
Где находится главное реле ваз 2110: Главное ре...
Предохранитель ближнего света ваз 2110: Блок пр...
Где находится реле ближнего света и как осущест...
Реле света 2110: Предохранители и реле ВАЗ 2110...
Лампа ближнего света ВАЗ 2110: как выбрать и са...
Предохранители ваз 2110 - схемы и реле
Переключатель ближнего дальнего света ваз 2110
Замена ламп ближнего света ВАЗ 2110 - Ремонт ва...
Где находится реле стеклоподъемников ВАЗ-2110: ...
Распиновка реле ваз
Главное реле ваз 2110 где находится: главное ре...
Автоматический выключатель ближнего света ВАЗ-2...
Схема подключения ближнего дальнего света ваз 2110
Ваз 2110 перегорает лампочка ближнего света
Предохранители и реле ВАЗ 2110, 2111, 2112 | На...
Фото реле ваз 2110: 711374701 Реле стартера ВАЗ...
Схема подключения светового реле ваз
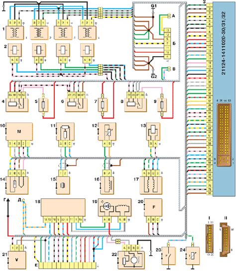
Схема света ваз 2110
Реле поворотников ваз 2110 - где найти и как по...
Не Горит Ближний Свет Ваз 2110 Причины. Не рабо...
Реле ближнего света: описание рабочего процесса...
Реле габаритов ваз 2110 где находится – Прокача...
Схема проводки ближнего света ваз 2110