ВЕЛОКАТАМАРАН | МОДЕЛИСТ-КОНСТРУКТОР
Водный велосипед картинки - 23 фото
Велокатамаран с походным снаряжением - картинка...
Велокатамаран. Водный велосипед. - YouTube
Water bike
Catamaran
Катамаран Вейв Ранер
Велокатамаран Schiller X1 Water Bike | BURO.
Велоамфибия катамаран для дальнего туризма (Про...
ВЕЛОКАТАМАРАН «МАЛЬОК» | Моделіст-конструктор
ВЕЛОКАТАМАРАН «МАЛЕК» | МОДЕЛИСТ-КОНСТРУКТОР
Катамаран из обычного велосипеда, велокатамаран...
Велопрогулка… на катамаране | МОДЕЛИСТ-КОНСТРУКТОР
КАТАМАРАН БЕЗ ПАРУСА И ВЕСЕЛ | МОДЕЛИСТ-КОНСТРУ...
велокатамаран надувной складной - YouTube
велокатамаран из Одессы - YouTube
Велокатамаран. Надувной. Разборный. | Влад Голу...
Велокатамаран Baycycle
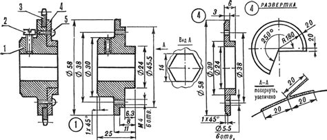
Велокатамаран. Чертеж, описание
Надувной велокатамаран. Обзор педального привод...
Тестируем складной надувной велокатамаран MARIN...
ВОДНЫЙ ВЕЛОСИПЕД-КАТАМАРАН РЫБОЛОВА | МОДЕЛИСТ-...
Катамаран74 | Производитель Велокатамараны наду...