Беспроводной дистанционный выключатель, AC 80-2...
GSM-реле PRO с дистанционным управлением - Купить
Wi-fi умное реле Tuya ONiOFF Smart Switch, 10 А...
Реле с дистанционным управлением
Реле с дистанционным управлением SIMply MAX: оп...
Niuvith Mini скрытое реле для GPS-трекера с дис...
Реле с дистанционным управлением REMOTE CONTROL...
GSM-реле с дистанционным управлением купить
Реле автомобильное с дистанционным управлением ...
GSM-реле с дистанционным управлением | Festima....
ᐉ Реле King Pigeon RTU5024 GSM с дистанционным ...
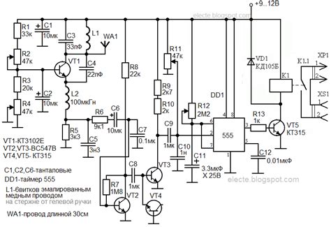
Электротехника: Реле времени с дистанционным уп...
Реле для умного дома, работает с Алисой с диста...
Реле с дистанционным управлением SIMply MAX - Р...
Реле с дистанционным управлением 12 вольт
GSM-реле с дистанционным управлением купить в С...
радиоуправляемое реле 220В 10А 433МГц mini ради...
Купить РЕЛЕ МОДУЛЬ 5 В С ДИСТАНЦИОННЫМ УПРАВЛЕН...
Эланг GSM-реле с дистанционным управлением | Fe...
Реле 200А(360А) с дистанционным управлением - Y...
Реле 200А с дистанционным управлением с пультом...
Реле с дистанционным управлением по смс купить ...
Реле радиоуправляемое с дистанционным управлени...
IR RC 5/250, ИК-реле с пультом / Реле с дистанц...
Реле 32-канальное 12V с дистанционным управлени...