Ремонт renault logan : схема 15. звуковой сигна...
Ремонт подрулевого переключателя рено логан сигнал
Рено Логан: панель приборов описание и обозначения
Где находится звуковой сигнал на Рено Логан: фо...
Звуковой сигнал Рено Логан не работает: причины...
При Свете Сигнал Не Работает Рено Логан – Автон...
Панель приборов рено логан описание индикаторов...
Рено Логан не работает сигнал - Причина - YouTube
Рено Логан не работает звуковой сигнал
Где стоит звуковой сигнал на рено логан - Вмест...
Рено логан электросхема на сигнале
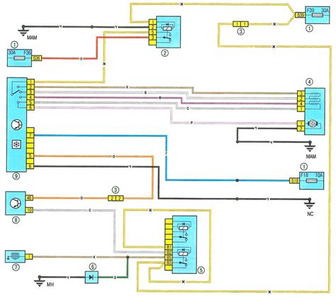
Схема звукового сигнала Рено Логан 2 | Поломки ...
Сигнализация рено логан. — Renault Logan Stepwa...
Рено Логан — не работает звуковой сигнал Как сн...
Как подключить сигнализацию к центральному замк...
Не работает звуковой сигнал Рено Логан | Razbor...
Замена звукового сигнала на Рено Логан: фото и ...
Не горит стоп сигнал Рено Логан 1 2008 Ремонт л...
Замена звукового сигнала Рено Логан Сандеро (Re...
Панель приборов Рено Логан: описание индикаторо...
Где находится клаксон Renault Logan — звуковой ...
Почему не горят стоп сигналы на Рено Логан: при...
Где находится клаксон на рено логан - новый logan
Схема подключения звукового сигнала автомобиля ...