Tool Electric: CD4017 описание на русском
Cd4017 схема включения
Микросхема cd4017 описание и схема включения
Микросхема cd4017 описание и схема включения - ...
Счетчик десятичный микросхема cd4017
Микросхема cd4017
The Ultimate Guide to CD4017 Decade Counter IC:...
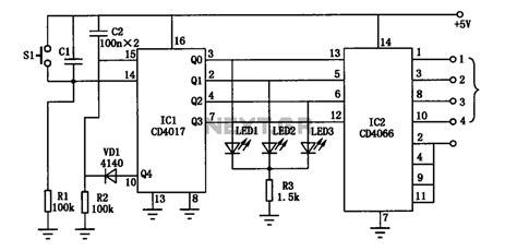
Переключатель фиксированных настроек (CD4017)
IC CD4017 Pinout, Description, Equivalents & Da...
CD4017 Datasheet | Pinout | 15 Example Circuits
Микросхема 4017 /CD4017(smd) so16 AMS, цена 7.3...
Аналог микросхемы cd4017
Микросхема CD4017, десятичный счетчик - купить ...
Микросхема cd4017 аналог
CD4017 - A Decade Counter with Decoded Output
МИКРОСХЕМА CD4017 и её возможности - YouTube
CD4017 микросхема счетчика с дешифратором