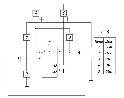
Вариант 5, Усилитель звуковой частоты
Потребность
Скупка разъемов РПС1 вилки и розетки по цене на...
РПС1-7Г-С, Соединители низкочастотные прямоугол...
Другие серии разъёмов
Цены на разъёмы РМ, РС, ГРП
Покупка РПС1-7Ш, цена на продажу
Покупка разъёмов РПС1, цены и фото,содержание д...
MDM9 Series – APMA TECH
Купить Разъем РПС1-15Г на сайте официального ди...
рпс купить в Москва, низкие цены на розницу и о...
РПС1-М-37Г /Разъем/ - Продажа авиационной радио...
Разъемы рпс1-7Ш (11 шт.) купить в Москве | Элек...
Скупка радиодеталей в Москве / Радиодетали-МСК
Соединитель РПС1-15Ш РПС1-15Ш-С. Низкие цены. Н...
рпс купить в Москве, низкие цены на розницу и о...
Розетка РПС1-37Г купить недорого с доставкой
Модель разъема DB-37 - Чертежи, 3D Модели, Прое...
Скупка радиодеталей содержащие драгметаллы, цен...
Скупка разъемов РП, РГ в Брянске | Скупка радио...
Разведывательная переносная станция РПС-1 руков...
ДАВС Локо- РПС1 - YouTube
РПС1-15Ш, Соединители низкочастотные прямоуголь...
Соединители типа РПС 1
РПС1-15Г /Разъем. 0612г/ - Продажа авиационной ...
Why The RP1 Is The Most Important Product Raspb...
РПС1-37Г, Соединители низкочастотные прямоуголь...
Разъём РПС1-37 - Чертежи, 3D Модели, Проекты, Э...
Техническое описание Соединители РПС1