Электронный блок управления двигателем (контрол...
Лада Приора Особенности системы управления двиг...
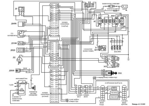
Схема управления двигателем приора инжектор 16 ...
Приора эбу блок управления двигателем | Festima...
Блок управления стеклоподъемниками приора распи...
Блок управления двигателем приора где находится
Распиновка блока комфорта приора
Блок комфорта ("Приора"): описание, схема, устр...
Как правильно осуществляется ремонт блока управ...
Электрическая схема Лады Приора в деталях | Pri...
Блок управления электропакетом (Итэлма) 2170-37...
Установили блок управления двигателем DVEMS с з...
Модуль блок управления светом МУС ПРИОРА 2170 с...
Схема подключения блока управления
Система управления двигателем | Автомобиль Лада...
Эбу приоры - как сделать распиновку?
Распиновка блока управления двигателем - Электр...
Блок управления двигателем Лада Приора/LADA Pri...
Схема блока управления приора
Блок управления двигателем эбу ваз Приора | Fes...
Блок управления двигателем приора схема
Блок управления двигателем 21126 Ваз 2170 приор...
Купить Блок управления двигателем ЭБУ Лада Прио...
Блок управления стеклоподъемниками приора схема
Заказать Блок управления двигателем (контроллер...