Mvava CE RoHS 1/2/3/4 Gang 600W Europe Zigbee T...
CE RoHS Certificate Tuya Smart WiFi Switch 1/2/...
RoHS Wifi Smart Switch User Guide
10A Wifi Rf433 Smart Switch 1Gang MINI Wifi Sma...
ROHS 4 Gang Smart Light Switch 802.11 Bgn
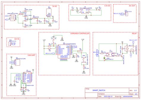
smart switch - Platform for creating and sharin...
RoHS In-Wall Smart Switch User Manual
Alexa Google Smart Life Switch Us Standard CE R...
RoHS CE certificated glass frame 2 gang smart t...
Universial Automatical Tuya Smartlife WiFi Smar...
6 Gigabit RJ45 Auto Sensing Ports Smart POE Swi...
Mvava RoHS CE Tuya Mini Wireless WiFi Light Swi...
12VDC Smart Poe Switch 16Gbps Switching Capacit...
Mvava CE RoHS 1/2/3/4 Gang Luxury Smart Switch ...
CE RoHS Neutral Wireless Tuya Zigbee Touch Smar...
ROHS IP20 DALI Smart Switch Panel For Lighting ...
China Smart Switch Panel Manufacturers Supplier...
4G EU Smart Touch Wall Switch with Ce RoHS Cert...
RoHS SMART WI FI WALL SWITCH - YouTube
Smart Rohs 600W Wifi Wall Touch Switch US 3 Gan...
Smart Wifi Wireless Switch - XZJ Rohs Ce 10A Mi...