Независимая система включения вентилятора — СеА...
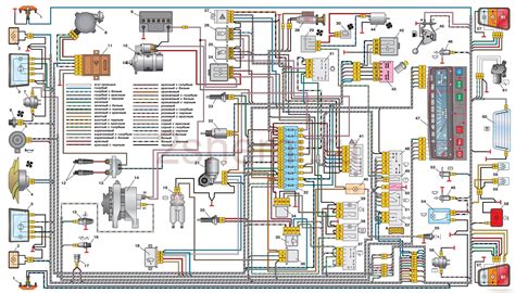
Схема подключения вентилятора охлаждения ваз ока
Датчик температуры и включения вентилятора ВАЗ ...
Датчик включения вентилятора! — Lada Ока 11113,...
Ставим датчик вентилятора от москвича 87-82 гра...
Датчик включения вентилятора ВАЗ 2108-2109, 111...
Где находиться датчик включения вентилятора мер...
Вентилятор для радиатора схема подключения
Вентилятор через реле
Схема подключения вентилятора радиатора автомобиля
Купить Датчик температуры включения вентилятора...
Датчик включения эл./вентилятора 92/87 ''ILSA''...
2103-3828010 Датчик включения вентилятора (t -9...
Вторая скорость вентилятора охлаждения. Часть в...
Что такое датчик включения вентилятора и как он...
Датчик вентилятора! — КАМАЗ 11113 Ока, 0,8 л, 2...
Температурный датчик включения вентилятора: Дат...
Как проверить датчик включения вентилятора охла...
Датчик включения вентилятора — СеАЗ Ока 11113, ...
И снова датчик включения вентилятора. — Lada Ок...
Що таке датчик включення вентилятора
Схема подключения вентилятора охлаждения ока - ...
Краткое руководство: поиск и установка переключ...
схема включения вентилятора ДВС — Lada Ока 1111...
Датчик включення вентилятора 2103, 1102 92-87 V...
Датчик включения вентилятора! — Lada 11113 Ока,...