Главная
»
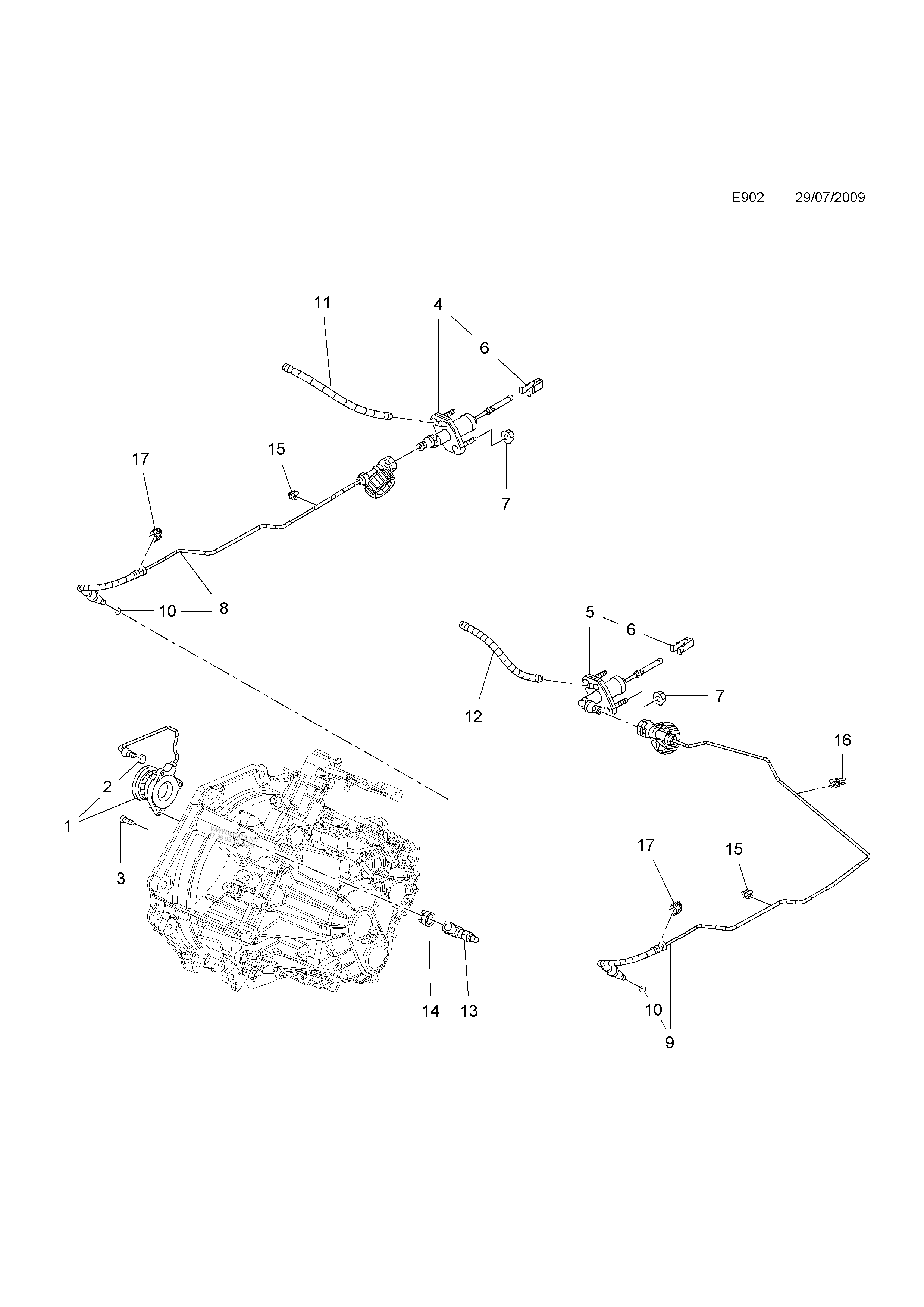
Фиксатор трубки сцепления
ТРУБКИ И ШЛАНГИ СЦЕПЛЕНИЯ OPEL ASTRA-J