Описание схема приемника казахстан
Кп302а схема включения - 92 фото
Каталог радиолюбительских схем. РАДИОЛЮБИТЕЛЬСК...
Реле времени для освещения лестничной площадки ...
Транзистор КП302: КП302А, КП302Б, КП302В, КП302Г
Схема дозиметра на микросхеме
Транзисторы Новые Полевые КПС104 КП301 КП302 КП...
Блок питания на ТВК-110ЛМ
Аналог кп302
Кп302а аналог
8.6 Тренировочные задания
Транзистор КП302А — Покупайте на Newauction.org...
КП302А Транзистори кремнієві планарниє польові ...
Статические характеристики полевого транзистора
Полевой транзистор кп302а
ПК-30 2А, Вставки плавкие, предохранители, хара...
Transistors silicon 2P302A (KP302A) analogue UC...
Ферритовая антенна - Страница 24
Расчет генератора пилообразного напряжения, Рас...
Транзисторы кп103Л1, кп327Б, кп359А, кп302А куп...
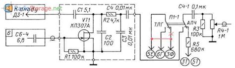
ПРИБОР ДЛЯ НАСТРОЙКИ KB АНТЕНН
УМЗЧ со стоками выходных транзисторов, соединен...