Катушка зажигания для Митсубиси Л200 1996-2006,...
Купить Замок зажигания Mitsubishi Galant (Митсу...
Катушка зажигания Mitsubishi Carisma, Colt, Gal...
Катушка зажигания Mitsubishi Lancer 9,Space Sta...
Катушка зажигания Mitsubishi L200, Pajero (Митс...
Как выбрать лучшего Катушка MITSUBISHI Lancer п...
Как Выставить Зажигание На Митсубиси Галант
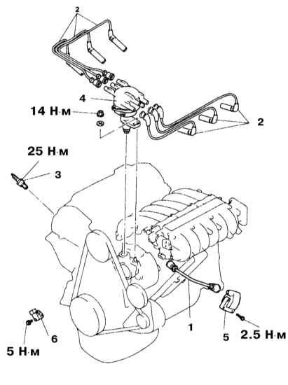
Mitsubishi Galant | Legnum | Aspire с 1996 года...
Руководство по ремонту Mitsubishi Galant (Митсу...
Катушка (Модуль) зажигания Mitsubishi(Митсубиси...
катушка зажигания mitsubishi galant 6, 1991г. 2...
Катушка зажигания для MITSUBISHI ASX (GA_W_), М...
Крышка распределителя зажигания (трамблера) для...
Mitsubishi Galant | Проверка состояния и замена...
Катушка зажигания для Митсубиси Аутлендер 3 рес...
Катушка зажигания Митсубиси Лансер 9 (Mitsubish...
6а12 внедрение газелевских катушек зажигания — ...
Катушка зажигания для Mitsubishi ASX 10- / Mits...
Катушка зажигания Лансер Галант Каризма 1.8 GDI...
#52 Ревизия контактной группы замка зажигания —...
Проверка состояния и замена катушки(ек) зажиган...
катушка зажигания Митсубиси сигма - YouTube
Мицубиси Галант. Проверка состояния и замена ка...
Катушка зажигания митсубиси лансер 9: где наход...
Катушка 4G93 Митсубиси Галант 8 | Festima.Ru – ...
Mitsubishi Galant | Galant Ralliart с 2003 года...
Катушка зажигания для для Mitsubishi Outlander ...
Система зажигания митсубиси галант 8 6а13 в Мос...
Катушка Зажигания модуль outlander галант ланце...
Характеристики модели Катушка зажигания Mitsubi...