Электросхема центрального замка RHD тип 1 Ford ...
Форд Мондео мк4 2.0 бензин на чати гр. Пловдив ...
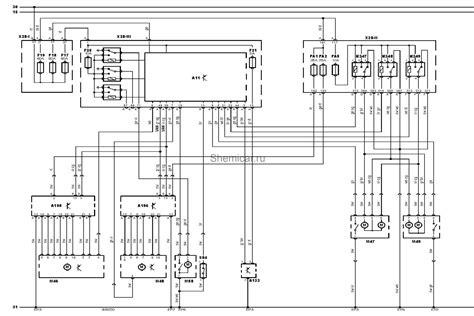
Электрическая Схема Мондео 4 - tokzamer.ru
Форд мондео 4 снять бензонасос сделать лючек - ...
Стопове за Форд Мондео МК4 2009 година в Части ...
Контактная группа замка зажигания. Форд Мондео ...
Схема привода форд мондео 4
Предохранители и реле Ford Mondeo 4
Форд мондео 4 рестайлинг предохранители: Предох...
Распиновка замка багажника форд мондео 4 седан ...
Назначение предохранителей Форд Мондео 4 и реле...
Типы ламп на форд мондео 4
FORD ремонт контактной группы замка зажигания -...
Форд мондео 4 fordmondeo mk4: 6 199 $ - Ford Дн...
Части за Форд Мондео МК 4 гр. Пловдив Филипово ...
Замок капота форд мондео 4 – garrycolt › Блог ›...
Форд мондео 4 проводка багажника схема
Схема предохранители форд мондео 4: Предохранит...
Ford Mondeo (4) характеристики, двигатели, рест...
Форд мондео 4 замок багажника схема – Нужна схе...
Форд мондео 4 предохранители в салоне схема - Ф...
Мултимедия за Форд Мондео Мк4 в Аксесоари и кон...
Предохранитель прикуривателя мондео 4: Предохра...
Пневмоподвеска на Форд Мондео 4. Органы управле...
Форд мондео 4 круиз контроль не включается: Не ...
Форд Мондео 4. Замена лампочки прикуривателя - ...
Замена бензонасоса Форд Мондео 4 - YouTube
Авторазборка Ford Mondeo 4 L4367 купить детали ...
Форд Мондео 4 2007-2014: Замена цилиндра выключ...