Все схемы подключения меркурий 230 через трансф...
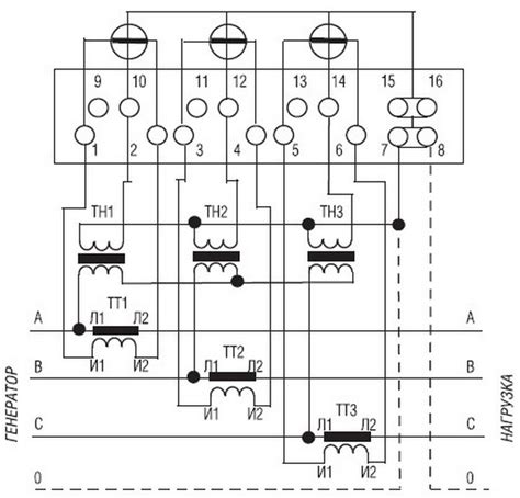
Схема подключения счетчика Меркурий 230 через т...
Схема подключения электросчетчика меркурий 230 ...
Какие трансформаторы тока для счетчика меркурий...
Инструкция счетчика меркурий 230 арт
Принципиальная схема электросчетчика меркурий 230
Схема подключения электросчетчика меркурий 230 art
Трансформаторы тока для электросчетчиков: схемы...
Инструкция электросчетчика меркурий 230 арт
Меркурий 230 схема подключения через трансформа...
Трансформаторы тока для электросчетчиков меркур...
Схема подключения счетчика меркурий 230 через т...
Переносные трансформаторы тока для электросчетч...
Меркурий 230 art 03 pqrsidn схема подключения ч...
Счётчик меркурий 230: подключение, характеристи...