Wabco
Тормозная система wabco с абс (30 фото) - hdpic...
4005000810 WABCO ORIGINAL Модулятор АБС прицепа...
Wabco ABS Set – Canpar Treyler Ekipmanları
ELEKTRONIKA ABS-a - WABCO
WABCO - LKW-Bremsteile
WABCO launches intelligent ABS for trailers
WABCO Archives - Air Brake Corporation Pty Ltd
Wabco abs | Сравнить цены и купить на Prom.ua
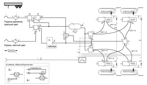
Wabco схема пневмосистемы прицепа
СПЕЦИАЛНО ПРЕДЛОЖЕНИЕ ОТ НЕЛАС И WABCO! | Нелас...
Осушитель пневмоподвески WABCO, платформа, крон...
Хотите купить оригинальные запчасти Wabco? Выби...
Распиновка wabco abs | Shtampik.com
WABCO - TruckMotors | Грузовые автозапчасти
ELEKTRONIKA ABS WABCO
WABCO Showcases Advanced Aftermarket Solutions ...
Абс wabco
Распиновка блока wabco
Wabco / Knorr-Bremse ABS with OBD2 connection p...
Тормозная система Wabco полуприцепа: схема и кр...