Микросхема LM311P, DIP-8 TI, Китай — Купить Нед...
Dm311 микросхема схема включения
Микросхема lm311 схема подключения
msevm
r-311
Переделка приемника Р-311 до современного уровня.
and_311
Р 311: Конструкция, схема
311 Circuits | Buy in Australia | CE00367 | Cor...
⭐ Микросхема LM311D. Низкие цены. На складе в н...
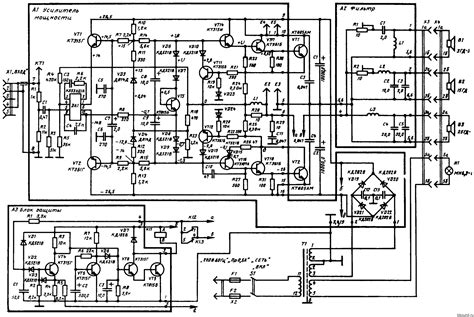
Усилитель От Эстония 25Ас 311 - Схемотехника дл...
Р-311 – спортивный приемник доработка
Рекорд 311 радиола схема описание - Фото подбор...
QR 311
Электроника-311А-стерео - Магнитофоны кассетные...
Lm311n схема включения как работает
Радиоприемник "Р-311"
Lm 311 datasheet
Электроника 311 стерео схема подключения