Купить 0068DS-1 - Датчик задней скорости на МАЗ...
ФР-8122 Педаль газа МАЗ ЕВРО нового образца эле...
Переключатель (клавиша) КАМАЗ, МАЗ выключатель ...
Личинка замка двери маз нового образца (замок и...
Ремкомплект ПГУ КрАЗ МАЗ Нового Образца (на Пгу...
Компрессор маз нового образца - 82 фото
Схема ЭСУД Weichai WP7, кабина нового образца М...
Схема ЭСУД Daimler OM 501 на кабину нового обра...
Фонарь КАМАЗ МАЗ левый светодиодный нового обра...
Щиток приборов в сборе нового образца МАЗ-4370,...
Насос водяной МАЗ нового образца (пр-во Украина...
Самые полезные сочетания клавиш на Windows | Ка...
#10 Установка нового бублика — МАЗ 5549, 9,9 л,...
Внутри кабины нового маза (80 фото) - hdpic кар...
Расшифровка значков на панели приборов автомоби...
Датчик включения задней передачи на МАЗ (нового...
Новая кабина МАЗ: особенности
Р/к ПГУ нового образца КАМАЗ ЕВРО, МАЗ, КРАЗ, У...
Переназначить клавиши на клавиатуре macbook
Схема ЭСУД Deutz, Евро-4, кабина нового образца...
Щиток приборов МАЗ ЩП-8096 нового образца (МАЗ-...
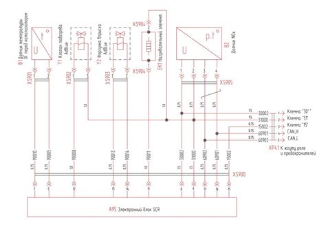
Схема SCR ДинексРусь кабина нового образца МАЗ....
Схема ЭСУД Cummins ISF 3.8 на кабину нового обр...
Клавиша стеклоподъемника овальная КАМАЗ, МАЗ 24...
Насос масляный Маз, Ямз 236, ямз 238 нового обр...
Схема ЭСУД Daimler OM 457, CPC4 кабина нового о...
Индуктор абс маз нового образца | Сравнить цены...
Схема ЭСУД ЯМЗ-653 на кабину нового образца МАЗ...
Цилиндр сцепления подпедальный нового образца д...