К155ла3 генератор прямоугольных импульсов с рег...
Схема генератор импульсов к155ла3
Микросхема К155ЛА3, импортный аналог - микросхе...
Генератор прямоугольных импульсов на к155ла3 с ...
К155ла3 описание схема включения микросхема
Задание Генератор на мс к155ла3
Преобразователь на к155ла3
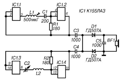
Двух тональный Генератор на К155ЛА3 с Полицейск...
Генератор на к155ла3 с регулируемой скважностью
10 РЕАЛЬНЫХ схем на микросхеме К155ЛА3 | Дмитри...
Генератор импульсов мгц
К155аг3 схема генератора
Генератор прямоугольных импульсов на к155ла3 ск...
Генератор на 155ла3 схема: Принципиальные схемы...
Принципиальные схемы генераторов на микросхеме ...
Схема испытателя диодов на К155ЛА3
Схема генератор на к155ла3: Схема генератора на...
Генератор импульсов схема
Расчет генератора на К155ЛА3 - Начинающим - Фор...
Как советская "Лашка" К155ЛА3 уделывает NE555. ...
Импортный аналог микросхемы к155ла3
Генератор прямоугольных импульсов
К155Ла3 генератор прямоугольных импульсов: Гене...