Презентация на тему: "Микропроцессорная техника...
Микросхемы АЦП (микс) - Продам-Отдам, Услуги - ...
Параметри та характеристики ацп:
Содержание отчета
3.4 Узел ацп Функциональная схема ацп
Двухступенчатый АЦП на переключаемых конденсато...
Купить Интегральная микросхема Подлинная ad7606...
АЦП - аналогоцифровые преобразователи - YouTube
Микроконтроллеры. Модули АЦП и ЦАП - презентаци...
Лекция 13 ЦАП и АЦП
6.3 Аналогово-цифровые преобразователи (ацп). О...
АЦП МУЛЬТИСИМ
Как работают аналогово-цифровые преобразователи...
ЦАП и АЦП в Micro Cap - YouTube
Принципы построения АЦП
Рис 1 Типы аналого -цифровых преобразователей О...
МОДЕЛИРОВАНИЕ РАБОТЫ АЦП БЕЗ КОММУТАЦИИ - СИСТЕ...
Аналого-цифровые преобразователи. АЦП прямого п...
АЦП
АЦП-ИКМ - презентация онлайн
Аналого-цифровой преобразователь (ацп)
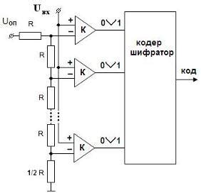
Параллельные АЦП.
16 разрядный АЦП последовательного приближения
Презентация на тему: Типы АЦП:
Типовые схемы АЦП - Классификация, типовое обес...
АЦП. Микроконтроллеры серии AVR. (Лекция 7) - п...
Аналоговые входы АЦП, Принцип работы, АЦП своим...
Аналого-цифровые преобразователи (АЦП) - презен...
Схема преобразования АЦП-ЦАП - Школьникам и сту...
Ацп схема - Схемы
Аналого-цифровые преобразователи (АЦП) - online...