Главная
»
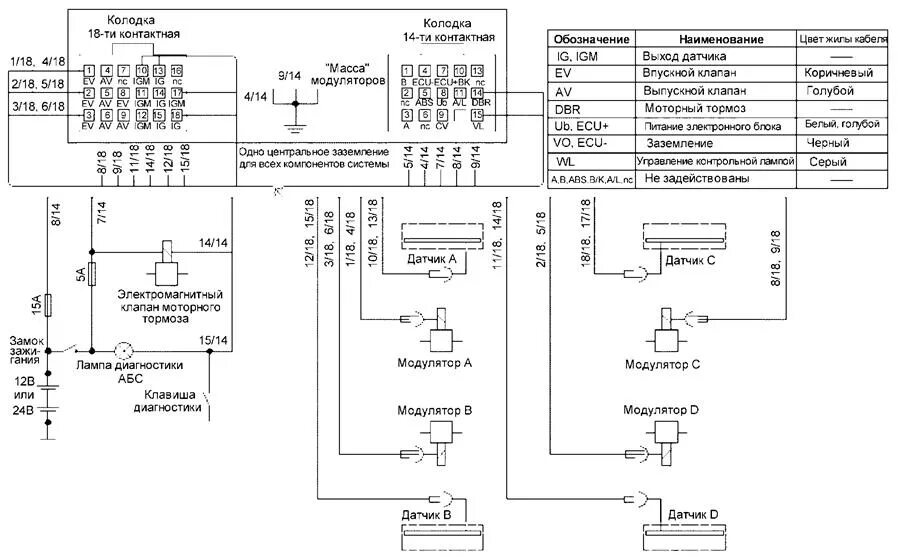
Разъем блока абс
Схема подключения абс