Прицеп
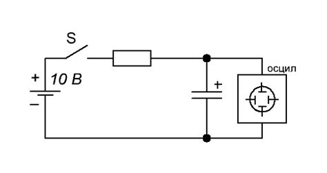
RC цепь - Практическая электроника
Рамный прицеп для велосипеда с амортизатором св...
Урок 16. Как работает RC-цепь РЕАЛЬНО | САМОЕ П...
RC прицеп — DRIVE2
RC цепь, что это такое, как работает | Самоделк...
Файл STL прицеп для техники 1/14 rc грузовики 👽...
Купить RC ТРАКТОР С ПРИЦЕПОМ ДИСТАНЦИОННОГО УПР...
Искрогасящая помехоподавляющая RC-цепочка купит...
САМОДЕЛЬНЫЙ ПРИЦЕП-ТРЕЙЛЕР для RC МОДЕЛИ! ЧАСТЬ...
Прицеп бортовой для RC модели, модель масштаб 1...
Перевозка авиамодели - велоприцеп
Прицеп для активного водномоторника - YouTube
Тюнинг масштабных моделей - прицеп для модели -...
Прицепы для снегоболотохода Линк
Корпус прицепа из торгового оборудования - YouTube
Как подключить RC цепочку? - Песочница (Q&A) - ...
Прицеп для авто
САМОДЕЛЬНЫЙ ПРИЦЕП-ТРЕЙЛЕР из КУСКА ПЛАСТИКА дл...
Новинки прицепов Респо | Outdoor decor, Outdoor...
прицеп
Простенький вариант прицепа для отдыха Модуль н...
Такой прицеп вы еще не видели! Универсальный пр...
Карета, конные экипажи "Ка...
RC.Поехали за дровами,а нашли прицеп с бревнами...
Прицеп для мотоцикла или минитрактор - YouTube
Картинки по запросу прицеп своими руками