Тройной выключатель с розеткой в одном корпусе ...
Три выключателя одна розетка схема подключения
Разновидности электрических розеток и выключателей
Трехкнопочный выключатель с розеткой схема подк...
Схема включения трехполюсного выключателя
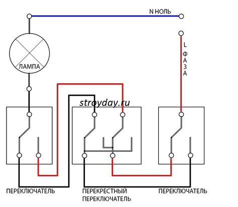
Как подключить три выключателя к одной лампе
Трехфазная розетка - устройство, виды раземов и...
Розетка с выключателем в одном корпусе. Подключ...
Выключатели трехклавишные с розеткой – выбор и ...
блок выключателей с розеткой Family Handyman, C...
Критерии выбора розеток и выключателей
Расположение выключателей и розеток в ванной ко...
Блок 3 выключателя + розетка | Старый Свет
Трёхклавишный выключатель с розеткой купить | Р...
Трехполисный автоматический выключатель 3Р 32А:...
Выключатель трехклавишный с розеткой ссср
Двухклавишный выключатель с двумя раздельными л...
Три выключателя на одну нагрузку
Особенности выбора розеток и выключателей » Стр...
Виды розеток и выключателей на что стоит обрати...
Как подключить трехклавишный выключатель с розе...
Схема подключения проходных выключателей из 3-х...
Три лампочки и три выключателя - Загадка на логику
Дизайн розеток с выключателями
Силовая трехфазная розетка и вилка. Пошаговая и...
Трехфазная розетка
Как выбрать розетку и выключатель
Умный дом на Loxone и Wiren Board - Wiren Board
Схема выключателя три кнопки
Схема подключения розетки с тремя выключателем
Какие розетки и выключатели бывают
Трёхфазная розетка: какой она бывает, и какой о...