Купить Кронштейн ваз 2121-2107 крепления модуля...
Замена модуля зажигания ваз 2107 инжектор - 86 ...
Установка зажигания ВАЗ 2107
Схема подключения модуля зажигания ваз 2107 инж...
замок зажигания автомобиля ваз 2107 – снятие, у...
Схема модуля зажигания ваз 2107 инжектор подклю...
Кронштейн катушки зажигания ВАЗ 2101 - 2107, ин...
Кузов Ваз-2107 - Автолюбители
Фото модуль зажигания ваз 2107 (30 фото) - фото...
Подвеска передняя ВАЗ 2107
Как заменить модуль зажигания ВАЗ-2107-20
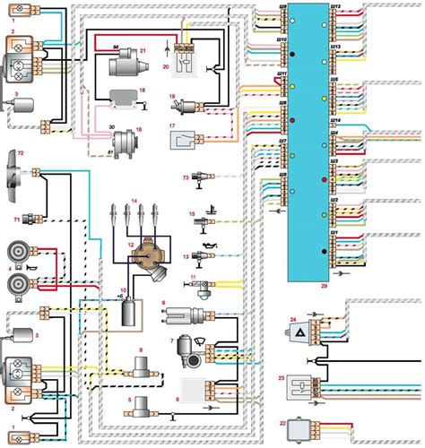
Распиновка модуля ваз 2107 - Электротехника и э...
21072803017 Кронштейн бампера ВАЗ-2107 левый - ...
Тюнинг подвески Ваз 2107 своими руками
Комплект для установки бесконтактного зажигания...
ВАЗ 2107: установка зажигания контактного и эле...
Замок зажигания ваз 2107 - Зажигание - Статьи -...
Система зажигания Ваз-2107 - Автолюбители
Купить Кронштейн ВАЗ 2101-2107 в ГБО.Логаз-Авто.РУ
Установка электростеклоподъемников на ваз 2107
Модуль зажигания ваз 2107 инжектор порядок подк...
Схема замка зажигания ВАЗ-2107
Замок зажигания ваз 2107 карбюратор схема подкл...
Устройство бесконтактной системы зажигания ВАЗ ...
Проверка модуля и регулировка зажигания ВАЗ 210...