Pl2303 Driver
Обзор преобразователя PL2303HX – RobotChip
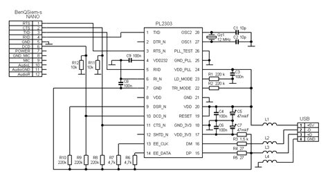
Изображение
Программатор PL2303HX для подключения микроконт...
Pl2303 Usb Serial Schematic Diagrams - offersst...
Pl2303hxa Phased Out
PL2303 datasheet(1/11 Pages) ETC | PL-2303 USB ...
2Pcs PL2303 โมดูล USB RS232 TTL แปลงโมดูลอะแดปเ...
PL2303_集成电路资料查询网
PL2303 datasheet(17/30 Pages) PROLIFIC | USB to...
Pl2303hx Photo by ednacell | Photobucket
Купить Новый pl2303 usb на rs232-ttl конвертер ...
Novo original pl2303ta pl2303|Acessórios p/ pro...
PL2303 datasheet(1/30 Pages) PROLIFIC | USB to ...
Программатор своими руками - Страница 4 - Форум
Pl2303 Driver 3.3.2.105 Download - postsherof
FAQ по решению Hardware проблем Samsung - Стр 2
transportskachat - Blog
программатор на pl2303 - YouTube
PL2303 USB σε TTL μετατροπέας, FREEBYTES
Модуль Преобразователь USB to Serial на PL2303 ...
Buy PL2303 - PL2303HX USB to TTL Serial UART Co...
PL2303TA-PL2303HX-PL2303-USB-TTL-RS232-SERIAL-P...
Купить pl2303 USB-устройство к RS-232 ТТЛ преоб...
PL2303 USB UART Board (mini) PL 2303HX PL 2303 ...
100 개/몫 PL2303 USB RS232 TTL 변환기 어댑터 모...
Pl2303hx Schematic | atelier-yuwa.ciao.jp
PL2303 Programmer Module, PCB Powerful TTL Conv...
USB to Serial converter using PL2303SA - Electr...
pl2303 arduino | Arduino, Electronic circuit pr...
Pl2303 | Usb, Arduino, Lite
USB Device Descriptor: Prolific PL2303: The Che...
Fake PL2303 | Sleepy Pony Labs