Прибор для поиска скрытой проводки • HamRadio
Прибор для поиска проводки в стене - особенност...
7 основных приборов электрика, без которых никуда
Прибор поиска электропроводов. Схема, описание
КАБЕЛЬНЫЙ МЕТАЛЛОДЕТЕКТОР КАБЕЛЬНЫЙ ДЕТЕКТОР НА...
Приборы-измерители электролитов и прочие...
Как найти электропроводку в стене: полезные сов...
Детектор за електрически кабели 5 в 1, локатор ...
Купить Тестер кабельных линий, Поиск проводки п...
Тестер Розеток: незаменимый инструмент для пров...
Прибор для поиска пустот и неоднородностей в зе...
Детектор – прибор для поиска и обнаружения скры...
Набор автоэлектрика: Cable Tracker и Контролька...
Детектор скрытой проводки своими руками: как сд...
прибор для поиска проводки в стене купить на ал...
Щупи універсальні для тестера, мультиметра 10А,...
Поиск скрытой проводки
Детектор скрытой проводки - YouTube
Как из 1000 кабелей найти нужный ? Прибор для п...
Прибор для поиска обрыва провода за 15 минут св...
Приборы для определения повреждения кабеля - TE...
Прибор для поиска кабелей и трубопроводов купит...
поиск скрытой электропроводки , прибор с алиэкс...
Ну а шо. Вот вам прибор для проверки интернет к...
Приборы для диагностики, поиска неисправностей ...
Прибор для обнаружения скрытой проводки - детектор
Детектор за електрически кабели, 5 в 1 - eMAG.bg
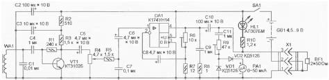
Схемы лучших самодельных детекторов скрытой про...