Методы защиты бытовых электрических сетей от пе...
2 шт., устройство для защиты от перенапряжения,...
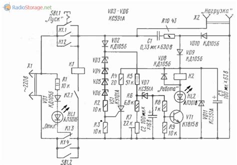
Устройство защиты аппаратуры от перепадов напря...
Защита от перепадов напряжения
Устройство защиты от перепадов напряжения в сети
Устройства Защиты от Перепадов Напряжения 170В-...
Устройство защиты от перепадов напряжения Taxne...
Как сохранить электроприборы от перепадов напря...
Устройство защиты от перепадов напряжения элект...
Реле напряжения. Защита от перепадов (скачков) ...
Схема защиты от перепадов напряжения в сети - Y...
Защита оборудования от перепадов в сети - реле ...
Защита от перепадов напряжения в сети. Схема ус...
Перепады напряжения: как защитить компьютер - П...
Защита от перепадов напряжения. — Схеми радіоам...
Защита от перепадов напряжения в сети , устройс...
Ограничитель перенапряжения: устройство, виды, ...
Перепады напряжения. Перегорает техника | Пикабу
Перепад напряжения вывел из строя технику, что ...
Устройство защиты БАРЬЕР Надёжная защита от пер...
Надежная защита от перепадов напряжения. Устрой...
Защитное устройство от превышения напряжения
Купить от перенапряжения противоугонное устройс...
Переключатель напряжения между выводами блока п...
Устройство защиты от перепадов напряжения HLP01...
Как самому установить защиту от перепадов напря...
Устройство защиты от перепадов напряжения Devol...