Сальники
Buy Genuine Toyota 9031135019 (90311-35019) Sea...
Сальники для тепловых сетей, серия 3.903 КЛ-13 ...
Сальник распредвала, 9031138034 / Toyota / Конт...
Сальник привода оригинал 9031135019 - OEM арт. ...
OIL SEAL, FRONT DRIVE SHAFT, RH/LH 9031135019 |...
Сальник, 9031138034 / Toyota / Контрафакта.нет ...
Купить Сальник переднего привода 9031135019 Toy...
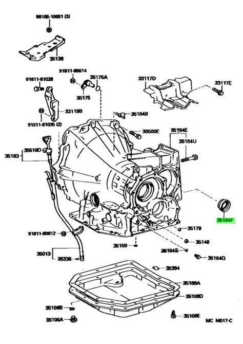
Запчасти Тойота: САЛЬНИК (9031145017)
Сальник коленвала — BMW 3 series (E90), 2 л., 2...
Верхний сальник рулевой рейки — Toyota RAV4 (I)...
Сальник заднего редуктора — Chevrolet Captiva (...
9031135043 Сальник 35*54*9/21.5 TC29S4R14 ACM T...
Toyota 90311-38065 (9031138065) Сальник - Амаям...
Купить Toyota 90311-92008 (9031192008) Сальник....
9031135019 Toyota сальник акпп/кпп (выходного/в...
Оригинальный сальник. — Toyota Carina E, 1,6 л,...
Лечим Капу #2 — Chevrolet Captiva (1G), 2,4 л, ...
сальник рулевой рейки — SsangYong Kyron, 2 л, 2...
внутренний сальник коленвала — Toyota Caldina (...
Замена сальника акпп — Saab 9-5 (1G), 2,3 л, 19...
Сальник купить в Москве TOYOTA 9031135019 | Авито
Купить Toyota 90311-35019 (9031135019) Сальник....
Замена сальников заднего редуктора — Chevrolet ...
Сальник, 9031135032 / Toyota / Контрафакта.нет ...
Сальники редуктора и снова кардан — Chevrolet C...