К561кт3 Ключ Описание - asianservic
К561ТВ1 - функциональная схема
К561ЛН1
Микросхема к561ие9 описание и схема включения -...
Микросхема к561тл1 описание и схема включения -...
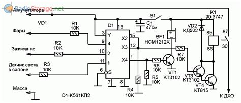
Чем Можно Заменить К561Кп2 - Песочница (Q&A) - ...
К561ТЛ1, КР561ТЛ1
К561лн1 описание и схема включения микросхема -...
К561ЛА7 - корпус микросхемы
К561ЛН2 Микросхема | Цена, купить, описание, ха...
К561ие14 описание и схемы включения - Фото подб...
К561КТ3А, (1992г), Октябрь | купить в розницу и...
Генератор С Изменяющейся Скважностью К561тл1 - ...
К561ИЕ11 - условное графическое изображение
Мікросхема К561ТВ1
Микросхема к561ир2 описание и схема включения -...
К561лн2 - Куплю - Форум по радиоэлектронике
К561ЛА7 Микросхема | Цена, купить, описание, ха...
К561ЛН1 - Структурная схема
Микросхема к561лп2 описание и схема включения -...
Микросхема 561тл1 описание схема включения - 91...
К561ле5
К561ИЕ14
К561ИЕ11 - функциональная схема
К561ие10 схема включения микросхема описание - ...
К561ЛЕ5 - условное графическое изображение
К561ТЛ1
К561ТМ3А Микросхема | Цена, купить, описание, х...
Логика На К561Лн2 - Схемотехника для начинающих...
Микросхемы К561ТЛ1 и К561ТМ2 — купить по низкой...