Ниссан теана порядок цилиндров - 80 фото
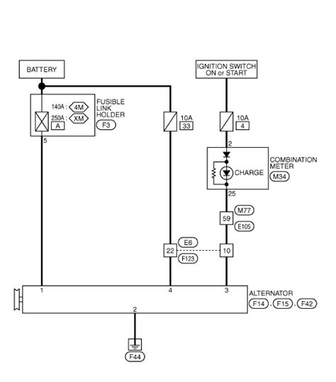
Распиновка генератора ниссан теана j32 схема
Ролик ремня генератора — Nissan Teana (L33), 2,...
Распиновка генератора ниссан теана - 91 фото
Схема проводки ниссан теана j31 - фото
Купить Генератор Для Ниссан Теана классический ...
6 Продолжение истории с ремонтом генератора — N...
Генератор от Nissan в жигули :) — Сообщество «В...
русификация — DRIVE2
Схема генератора ниссан - Схемы
Нисан Теана — DRIVE2
Замена генератора — Nissan Teana (J32), 2,5 л, ...
Схема подключения генератора ниссан - 90 фото
Хотел поменять ремень, а поменял генератор… — N...
Ремонт Ниссан Теана (ремонт генератора) — Nissa...
Как снять генератор на Nissan Teana 3.5 (J32) —...
Генератор — Nissan Teana (J31), 3,5 л, 2006 год...
Ресурс вариатора ниссан теана - 90 фото
Обслуживание! Замена масла Nissan Teana (Ниссан...
Диагностика ниссан теана elm - 80 фото
Генератор Nissan Teana j 32 — Nissan Teana (J32...
Чип-тюнинг Ниссан Теана (Nissan Teana) в Москве...
ниссан теана замена ременя генератора - YouTube
Разъем генератора Nissan - YouTube