Ремонт контроллера питания - Ремонт электроники
Схема контроллера питания
Как включить контроллер питания ноутбука
Схема контроллера питания (БП/аккумулятор + мик...
Контроллер заряда аккумулятора: что это такое и...
Замена контроллера питания Rockchip RK808-B
Микросхема power bank контроллер питания
Ремонт контроллера питания ноутбука Asus – Серв...
Ремонт блока питания SVEN SB-550 с заменой ШИМ ...
Из чего состоит импульсный блок питания часть 3...
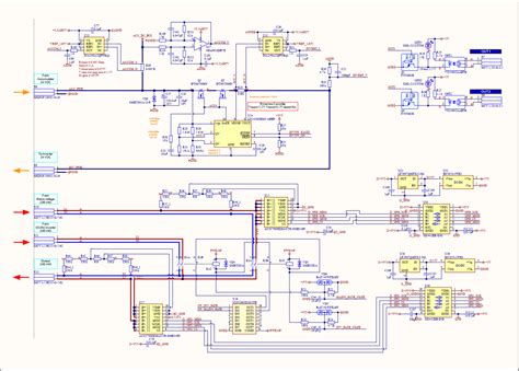
Разработка контроллера резервного питания. Схем...
Плата питания контроллера ПЛК - купить по выгод...
Как Проверить Контроллер Питания Ноутбука — Ноу...
Контроллер питания современного гаджета: секрет...
контроллер питания айфон 7 что такое - Что знач...
Силовая электроника самодельного робота, контро...
Замена контроллера питания на ноутбуке Asus: це...
О контроллере заряда аккумулятора: как сделать ...
Разработка контроллера резервного питания. Техн...
Контроллер питания ноутбука hp
Realhelp мини источник питания с контролем дост...
Устройство контроллера питания аккумулятора
ШИМ-контроллеры ON Semi для сетевых источников ...
Как подключить контроллер к аккумулятору
12 В интеллектуальный модуль зарядного устройст...
контроллер питания айфон 7 что такое
Что такое контроллер питания на айфоне
Замена контроллера питания на Xiaomi | Пикабу
Микросхема PM7150 002 контроллер питания - купи...