Прокладка упругая ЖБР ЦП 369.104 (новая) - ООО ...
Прокладка упругая ВП920.1281, цена в Москве от ...
ОСНОВНЫЕ ТИПЫ ПРОМЕЖУТОЧНЫХ РЕЛЬСОВЫХ СКРЕПЛЕНИЙ
Прокладка упругая ЦП 369.104 (224385894) купить...
9ПП-12-4 Перемычка плитная, купить перемычки, п...
Фланцевые прокладки
Раскладка и опирание плит перекрытия без ошибок
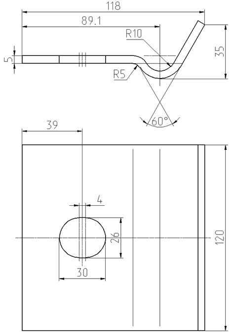
RU218892U1 - Прокладка нашпальная упругая регул...
Прокладка упругая ЦП-369.104 купите от поставщика
Прокладка паронитовая фланцевая Ду 50 Ру 10-40 ...
Фланцевые армированные прокладки ТРГ из ГЕРМОРУ...
Прокладка резиновая 1/2" (19х10 мм), прокладка ...
Резиновая прокладка HG 1" (20x30x2 мм) 5 шт 164...
6748A037 ПРОКЛАДКА УПРУГАЯ ЗАДН.БОРТА L200 NEW ...
Прокладки металлические фланцевые плоские купит...
Комплект (набор) паронитовых, эластичная фланце...
Прокладка упругая ЖБР ЦП 369.104, цена в Москве...
Упругие соединения трубами - Энциклопедия по ма...
Спирально-навитые прокладки и их приобретение |...
Упругая прокладка под плиты перекрытия - 84 фото
Якісні запчастини: Прокладки піддона УАЗ лише в...
Упругая прокладка под плиты перекрытия - фото
Прокладка фланцевая: Прокладка фланцевая ГОСТ -...
Прокладка упругая ЦП 369.104 купить с доставкой...
Теплоизоляция перекрытий
Прокладка ЦП 369 - Прокладка упругая типа ЖБР |...
Паронитовые прокладки для фланцев
Apri
Прокладки уплотнительные типа ПУ | ГОСТ, характ...
Прокладка упругая ЦП 369.104
Прокладка кабелю: способи та умови прокладання ...