1. Автоматическое повторное включение, общие по...
Купить АПВ 4 исп.1 (старое обозначение АПВ 4-12...
2.1. Трёхфазное апв однократного действия.
АПВ 1 * 70 Ալյումինե (Կաբել) մալուխ INVI - Էլեկ...
Автоматическое повторное включение (АПВ) - през...
6.1.2. Основные варианты устройств апв
Апв кабель расшифровка. апв провод
Презентация на тему: "Автоматическое повторное ...
Устройство автоматического повторного включения...
2. Автоматическое повторное включение
Электрический провод БРЭКС АПВ 1 2.5 мм² - купи...
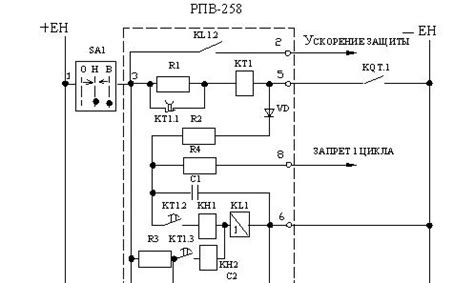
2.1.2. Схема устройства трёхфазного апв однокра...
АПВ 1х10 0,45 кВ (бухта 300м) ГОСТ
АПВ провод – расшифровка и технические характер...
Расписанные билеты прошлых лет
Автоматическое повторное включение (апв): назна...
7. Трёхфазное апв трансформаторов, шин, двигате...
Купить АПВ 2-12/220В-22 исп.1 (со встроенным ак...
Автоматическое повторное включение (АПВ): назна...
2.3. Механические устройства апв.
Электрический провод АПВ 1 2.5 мм² - купить по ...
АПВ в электрике - принцип действия, требования ...
Провод апв 1х10.0 ГОСТ купить в Волгограде с до...
Наладка устройств АПВ | Наладка оборудования эл...