П274м1 провод полевой 500м купить в Сергиевом П...
ЭП1М-427 — Фото — RailGallery
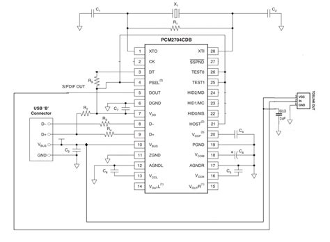
[PCM2704:USB->SPDIF] Вопросы новичка.
Провод П-274 М - купить, цены | ХКА
单管|电感电容-可调电容电阻-二极管场效应管MOS-军...
Кабель П-274М — Цены, диаметр, вес и др. характ...
Полевой кабель П-274
Кабель полевой П-274 м (полевка) Москва | Аксес...
П-274М - Провод связи
Кабель дальней связи полевой Одескабель П-274
M274 двигатель Проблемы Технические Характерист...
P-274
Vyhledávání v seznamu zboží: p271 : H A D E X ,...
Провод полевой П274м. Полевик п 274 м провод п2...
Polo P2714 поло P2714, P2724 удары при переключ...
Купить П-274М (полевка) Кабель телефонный в Вел...
Купить PCM2704-MODUL на складе КОСМОДРОМ, Харьк...
Oprek SoundCard Usb PCM2704 - JOKO-ELECTRONIC
П-274 Провод | DELC Воронеж
Провод П-274/М 2*0,5
PME271Y447MR30 EDA | CAD 3D Model Download | Di...
Провод ПВС 2х1мм² 5м купить в Томске
Полевой кабель П-274 У. — купить в Красноярске....
Странный полевой кабель "П-274M"
Кабеля полевой связи П-274 | INCAP ELECTRO
Продам полевой кабель П 274 Новоукраинка - CQ-R...
Кабель П274 | Кабель провод полевой связи П-274...
Провод П-274М купить на OZON по низкой цене
Кабель полевой П274, новый, в наличии. Цена: 8₽...
Кабель П 274 М полевик купить в Уссурийске по в...
Провод ПВ-1 до 450/750 В - Группа компаний «Про...
Кабель разветвитель на 2 кулера 4-pin PWM 27см ...
Провод связи П-274М - купить в Минске