Реверс А5 – ТРИМАКС
Обучение по теме: Что такое аверс и что такое р...
Аверс и реверс монеты - что это такое, правильн...
Реверс электродвигателя - полное описание функц...
День открытых дверей в университете: что это та...
Реверс-инжиниринг для начинающих: основные конц...
уно реверс | #уно #реверс #uno #reverse #подпиш...
Что такое реверс в электрике
Реверс, транс-ресвератрол 250 мг, 60 капсул, ці...
Реверс двигателя постоянного тока
Реверс дієтична добавка капсули, 30 шт.: інстру...
Как осуществить реверс электродвигателя постоян...
Что такое реверс на тракторе
Реверс 1999: Руководство по хрустальному черепу...
Реверс фильм, 2009, дата выхода трейлеры актеры...
Подробно расскажем о Что значит реверс в самолете
Реверс — Электронная лицензия на 1 год — Магази...
Реверс: инструкция + цена от 239 грн в аптеках ...
Как сделать чтобы плюс и минус источника питани...
Входные двери и нормы СНиП: размеры, установка,...
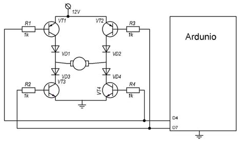
Motor Control: Реверс двигателя
Как подключить однофазный двигатель реверсом
Реверс
Как создать беспалевный реверс шелл с помощью H...
Больше чем копия: ТВЭЛ презентовал реверс-инжин...
Образец ПЛТ – mediaoffice
Реверс инжиниринг для начинающих. Что это такое...
8 лучших переводчиков с искусственным интеллект...
Реверс: инструкция + цена от 157 грн в аптеках ...
Схема реверса подключение принцип работы особен...
Что такое реверс монеты
"Реверс" скачать fb2, rtf, epub, pdf, txt книгу...