Стабилизированный регулятор напряжения: Стабили...
Купить Лабораторный источник питания постоянног...
Схема регулятора напряжения 12v
Стабилизированный регулятор мощности. Схема, оп...
Инвертор 12 В-220 В + WANPTEK + регулируемый ст...
3 кВт/5 кВт бытовой небольшой стабилизатор напр...
Стабилизированный регулятор напряжения своими р...
XY6020L 1200W CNC регулятор напряжения источник...
Регулятор Мощности РМ-US2-25А Стабилизированный...
Стабилизатор напряжения с входным напряжением 1...
Стабилизированный регулятор напряжения на LM317...
Стабилизированный регулятор напряжения для нагр...
Регулятор напряжения с ЧПУ 20 А, 1200 Вт, регул...
Регулятор напряжения стабилизированный РМ-2М 16А
Стабилизированный БП с регулировкой напряжения ...
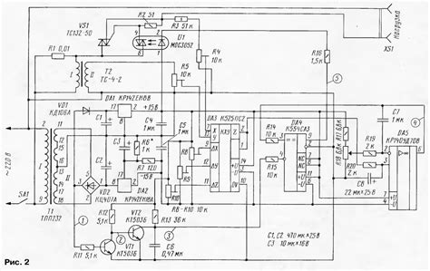
Симисторный стабилизированный регулятор мощност...
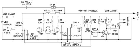
Регулятор мощности со стабилизацией действующег...