VIPER06HSTR datasheet(1/28 Pages) STMICROELECTR...
VIPER06 Datasheet(PDF) - STMicroelectronics
VIPER06HSTR datasheet - Specifications: Life Cy...
VIPER 6''
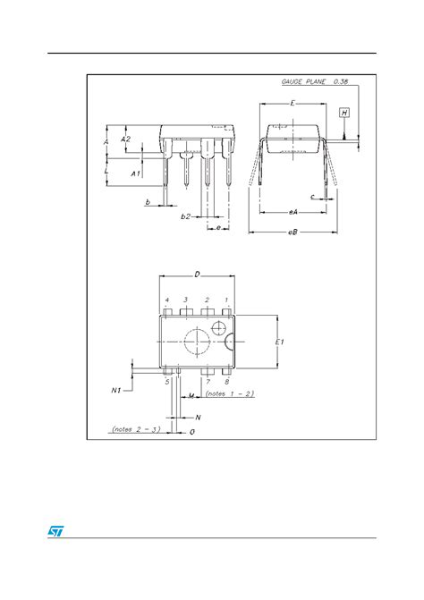
VIPER06 datasheet(14/28 Pages) STMICROELECTRONI...
Viper 6 | Ozone Paramotor
1pcs/lot Viper06h Viper06hstr Sop10 - Integrate...
Se48a6561b3fa49bd9ca95c94b794d839N.jpg
New-Original-VIPER06L-SSOP10-Chip-VIPER06LSTR-V...
VIPER26H
5pcs-lot-VIPER16LN-VIPER16L-VIPER16HN-VIPER16H-...
VIPER06 | PDF | Electronics | Telecommunication...
VIPER06HS - AC/DC Converter IC, VIPerPlus Famil...
Viper R6
5pcs-100-new-and-orginal-VIPER06LSTR-VIPER06LS-...
Buy Viper V6 for X68000 | retroplace
VIPER compact - 60 m - Ehle-HD Entwicklung- und...
1PCS-VIPER26H-VIPER26HDTR-new-AC-DC-Converter-S...
VIPER16LD-VIPER16HD-VIPER17LD-VIPER17HN-VIPER26...
VIPER16 datasheet(6/30 Pages) STMICROELECTRONIC...
Мікросхема VIPER06H
New Original Integrated Circuit Viper06hstr Vip...
VIPER22A IC: Equivalent, Datasheet, Pinout, And...
1PCS-VIPER16L-VIPER16HD-VIPER17LDT-VIPER17HDTR-...
F6 VIPER 1 - ELP GmbH
Original-ST-chip-VIPER06HSTR-SSOP10-package-SSO...
VIPER06 datasheet(23/28 Pages) STMICROELECTRONI...
5Pcs-Lot-VIPER06XSTR-VIPER06XS-VIPER06X-VIPER06...
VIPER06HS STMicroelectronics | STMicroelectroni...
Viper 6 Der Viper Train rollt und nimmt fahrt a...
Viper 5806 | AudioWorks of Delaware | Turn It O...
VIPER06HS ST AC-DC ICs - Veswin Electronics
My '06 Viper Coupe photoshoot
VIPER06LN datasheet(12/28 Pages) STMICROELECTRO...