Popular Handheld Scanner Frequencies-Buy Cheap ...
Сканеры
Сканеры. Эволюция сканеров - презентация онлайн
Беспроводной сканер штрих-кода Datalogic PowerS...
Ручной Дубликатор частоты 125 кГц-13,56 МГц, ко...
Вопрос 2. Цифровой метод измерения частоты
ИССЛЕДОВАНИЕ СИНТЕЗАТОРОВ ЧАСТОТЫ, Синтезатор ч...
Сканеры. Виды сканеров - презентация онлайн
Сканеры. Виды сканеров - online presentation
Виды и характеристики сканеров - презентация он...
ISO11785/84 FDX-B Pet сканер микрочипов метка р...
Какими параметрами отличается сканер, его харак...
Посмотрите на частоты - YouTube
Лучшие сканеры 2016
Оценка смещения частоты - РАДИОТЕХНИЧЕСКИЕ СИСТЕМЫ
ПОДРОБНО ПРО СКАНЕР ЧАСТОТ(ЧАСТОТОМЕР) ИЗ КИТАЯ...
Сканеры | HiTECH
Блог | ГЛОБАЛ СКАН СИСТЕМ
простой цифровой частотомер - Страница 3 - Изме...
Как измерить частоту осциллографом. - YouTube
Купить Радио сканирования сканер i-77 портативн...
Микроконтроллерный частотомер до 4,5 МГц
Сканеры для компьютера рейтинг
Презентация на тему: "Российский государственны...
датчик сканер на короткие расстояния - YouTube
Радиолюбительские измерения: когда нет частотом...
Разновидности сканеров - презентация онлайн
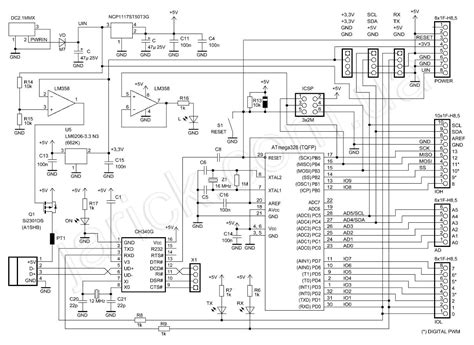
Сканер 600-900мГц на Arduino
Купить ручной беспроводной сканер строку кратко...
Купить высокая скорость портативный сканер в ин...
Проверка частоты процессора - YouTube