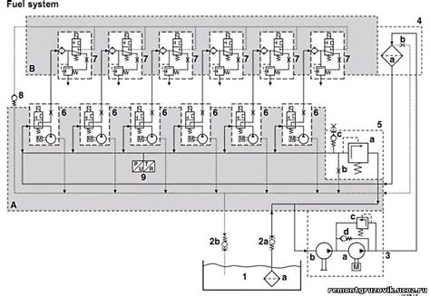
DAF XF 105 схема топливной системы - автомануал...
Диагностика и ремонт топливной аппаратуры ДАФ 105
Даф 105 тюнинг сцепка
Даф 105 розборка кабіни: 1 000 $ - Інші кузовні...
ДАФ 105 460: технические характеристики, расход...
Стекло туманки DAF XF105 стекло противотуманной...
Тягач DAF 105.460 кпп механика 2008г можно в ра...
Daf 105
Turbina DAF XF 105 2010g engine turbocharger fo...
Турбина Даф 105 в наличии с гарантией Страница ...
Купить осушувач повітря пневматичної системи на...
Етс 2 интерьер даф 105 - фото
Фото даф 105 тюнинг фото: Euro Truck Simulator ...
Предохранители и реле DAF-XF 105, схема и описание
Даф 105 хф – Технические характеристики тягача ...
Купить Трубка отопителя DAF XF 105 Даф в Санкт-...
Купити осушувач повітря пневматичної системи дл...
Rurka Przewód Daf 105 - Niska cena na Allegro.pl
AUTO.RIA – Продам Даф ХФ 105 2012 : 23800 $, Ло...
AUTO.RIA – Продам Даф ХФ 105 460 A 2009 : 18900...
Розборка даф 105/95 Разборка daf 95/105: 500 гр...
Даф 105 - фото и картинки на рабочий стол
Турбины ДАФ: ремонт требуется 105-ому тягачу
Схема DAF 105 XF | Запчасти для грузовиков в Мо...
Купить Трубка кондиционера DAF XF 105 в Истре п...
Палець причіпного пристрою на DAF 105 2012
Купити Осушувач повітря пневматичної системи дл...
Купить Топливный бак DAF XF 105 800л: отзывы, ф...
Кабина внутри даф 105 – Тягач Даф 105 техническ...
Купити підшипник маточини задньої для DAF 105 в...