К561ЛЕ5 функциональная схема
561 серия - Музей электронных раритетов
К561ИЕ9 - цоколёвка
К561ИЕ14 - купить Харьков Украина 3v3.com.ua
Купить К561ИР9 в Великом Новгороде
К561кп1 схема включения - Фото подборки 3
К561ЛА7 - корпус микросхемы
К561лн2 - Куплю - Форум по радиоэлектронике
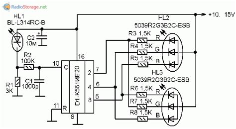
Микросхема к561ие9
К561ЛЕ5 - условное графическое изображение
Микросхемы - РетроРадиоДеталь
К561ИЕ11 - функциональная схема
Микросхема к561ие9 описание и схема включения -...
Мікросхема К561ТВ1
Микросхема К561ИЕ11 купить в Владимире цена 40,...
К561ИЕ10 купить в Москве цена 30,00 Р на DIRECT...
К561ИР9, 4-х разрядный последовательно- паралле...
К561кт3 Ключ Описание - asianservic
К561ИЕ14
Микросхемы
К561ле5
Компания Электроника и связь - электронные комп...
К561ла9 схема включения - 88 фото
Электронный выключатель на К561ТМ2 - YouTube
К561ИЕ11 - условное графическое изображение
Микросхемы К561ТЛ1 и К561ТМ2 — купить по низкой...
К561ие14 описание и схемы включения - Фото подб...