Микросхема к561тм2 описание и схема включения -...
Таймер на К561ТМ2 - Страница 4 - Начинающим - Ф...
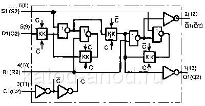
Мікросхема К561ТВ1
Электронный выключатель на К561ТМ2 - YouTube
к561тм2 описание, цоколевка, аналоги.
Микросхема к561тм2 описание и схема включения
Чем Можно Заменить К561Кп2 - Песочница (Q&A) - ...
Таймер на К561ТМ2 - Страница 3 - Начинающим - Ф...
K561tm2
561тм2 описание схема включения
К561ТМ2
Микросхемы К561ТЛ1 и К561ТМ2 — купить по низкой...
Повышающий преобразователь напряжения 12-220 вольт
К561тм2 схема включения одной кнопкой - 98 фото
Микросхемы