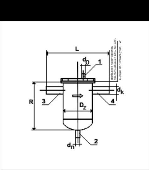
МЕТАЛЛОШЛАМОУЛОВИТЕЛИ
Про делитель для измерительного комплекса Шмеле...
Радиопереговорное устройство ''Шмель''.
Фильтр-шламоотделитель магнитный купить, цена в...
Электроточприбор: Светильник-шмель - это реальн...
Эффективность магнитных шламоотводителей (шламо...
Шламоотсос
Шламоуловитель
изготовление медного шлема для дистиллятора ( п...
Шламоуловитель своими руками - YouTube
Фильтр-шламоотделитель магнитный тип WPFS купит...
Новинка! Фильтр-шламоотделитель STOUT с магнито...
Роторная зернодробилка Шмель
Магнитный шламоотделитель ФШМ
Обзор влагомаслоотделителей - YouTube
Сетевой магнитный шламоотводитель (шламоуловите...
Фильтр-влагомаслоотделитель
Spitzdüsen, Druckluftpistolen
шламоотделитель фшм, фильтр ФШМ, фильтр магнитн...
СЪДОМИЯЛНИ МАШИНИ
Грязевики-шламоотделители «ИХЛ ГШЦ»
Продукт для обезвоживания шлама, твердый жидкий...
Шламоуловители
Нарезчик швов со шламоотсосом
Шламометаллоуловители
Фильтр-шламоотделитель (сепаратор) с магнитом 3...
Komplett pneumatisk smörjenhet - Norlub.com
Intake manifold gasket against the cylinderhead...