Обзор Audi 100 C4 (Ауди 100 С4): технические ха...
Руководство По Ремонту Ауди 100 С4 - instrukciy...
Реле стеклоподъемников ауди 100 с4 где находитс...
Здравствуйте — Audi 100 Avant (C4), 2 л, 1993 г...
расположение предохранителей ауди 100 с4
Блок схема предохранителей ауди 100 с4 1991г aad
Регулировка датчика уровня топлива на Audi 100 C4
Как проверить датчик включения вентилятора ауди...
Замена датчика включения вентиляторов на Audi 1...
Дополнительный блок реле (Ауди 100 С4, 1990-199...
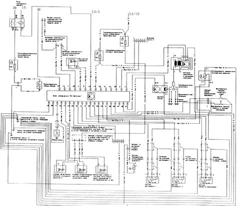
Электросхема Audi 100 C4 двигатель 2.0 ABK
Предохранители Ауди 100 С4: схема и расположени...
Датчик включения вентилятора ауди 100 схема вкл...
Установка "вежливый поворотник" на Ауди 100с4 —...
ауди 100 с4 плавают обороты! все поломки за год...
Электрооборудование: Электрические схемы автомо...
Audi 100 Вентилятор радиатора (работа после ост...
Предохранители и реле Audi 100 C4 (6 видео)
Замена датчика включения вентилятора на ауди 10...
Датчик включения вентиляторов. — Audi A6 (C4), ...
Нужна помощь — Audi 100 (C4), 2,3 л, 1991 года ...
Ауди 100 с4 не включается вентилятор радиатора....
Включение вентилятора ауди С4 - YouTube
Система управления «KE-Motronic» (Ауди 100 С4, ...
Ауди 100 с4 схема предохранителей - фото
Audi 100 схема вентилятора радиатора
Распиновка датчика включения вентилятора ауди 1...