5pcs RT8223PZ RT8223PZQ 2O x xx RT8223P RT8223P...
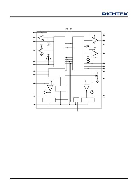
RT8223P datasheet(10/23 Pages) RICHTEK | High E...
RT8223P Datasheet(PDF) - Richtek Technology Cor...
Richtek RT8223P ZQW 20FH530 20= 20=DF 20=FF QFN...
IC EQ= RT8223M RT 8223M 8223 RT8223MGQW EQ=DA E...
Rt8223p With Voltages | PDF | Electrical Engine...
RT8223P Datasheet PDF - Richtek Technology
Analisa IC 20= RT8223P - YouTube
IC 20=RT8223P, 20= ED, 20= .. – Lonex
Rt8223b Ds= | SVP Technologies
Rt8223mgqw RT8223MZQW RT8223M RT8223 EQ FJ EQ =...
RT8223P datasheet(2/23 Pages) RICHTEK | High Ef...
RT8223P - High Efficiency, Main Power Supply Co...
5pcs/lot 100% New RT8223PGQW RT8223PZQW RT8223P...
1PCS New RT8223P ZQW RT8223PZQW 20 1E 20= 20=DF...
RT8223M 8223M 8223 EQ= - Leaky MOSFET
5piece-100-New-RT8223PGQW-RT8223PZQW-RT8223P-20...
RT8223N - High Efficiency, Main Power Supply Co...
5PCS RT8223MZQW WQFN 24 RT8223 RT8223MZQ RT8223...
RT8223PGQW RT8223PZQW RT8223P (20=EL 20=DF 20=F...
RT8223P datasheet(4/23 Pages) RICHTEK | High Ef...
Free Shipping Rt8223pgqw Rt8223pzqw Rt8223p(20=...
RT8223P datasheet(5/23 Pages) RICHTEK | High Ef...
1 adet/grup RT8253AH RT8253 SOP 8 stokta|sop8| ...
PWM-controller-rt8223p-qfn-24.jpg
5pcs RT8223MGQW RT8223M (EQ=FJ EQ=EC EQ=DA EQ=D...
RT8223P datasheet(3/23 Pages) RICHTEK | High Ef...