BQ24725 datasheet(37/39 Pages) TI | 2-4 Cell Li...
FOSSIL PRIVATEER BQ2758 – GC Shop Egypt
Fossil BQ2587
BQ25185 | 购买 TI 器件 | 德州仪器 TI.com.cn
BQ24725A Standard Usage Method - Platform for c...
BQ 2825 Disco Boom - мобильная дискотека | ForP...
Купить Мобильный телефон BQ-Mobile BQ-2825 Disc...
BQ24725A: BQ24725A charge query - Power managem...
BQ25A | PDF
Harga BQ24725A Terbaru Jun 2025 | BigGo Indonesia
BQ25756: Some design questions about BQ25756......
BQ25180: Parallel connections of two BQ25180 - ...
BQ25185: Safety timer always expires - Power ma...
BQ25180 datasheet(1/11 Pages) TI | BQ25180 I2C ...
Jual BQ25A BQ25 BQ24725 IC BQ25A - Kab. Kediri ...
BQ25892: Not start without battery. - Power man...
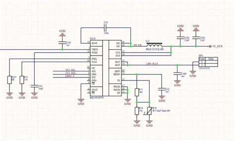
BQ25185 Resources - EasyEDA
BQ25622: Questions about BQ25622 application - ...
BQ24725 datasheet(38/39 Pages) TI | 2-4 Cell Li...
BQ27425 Datasheet Meta Search
BQ24725 datasheet(31/39 Pages) TI | 2-4 Cell Li...
BQ24725 datasheet(32/39 Pages) TI | 2-4 Cell Li...
CI - BQ24725A BQ25A BQ24725 - Telas, Teclados, ...
BQ25A Marking, BQ24725ARGRT datasheet(1/47 Page...
BQ24725 datasheet | Все для ремонта электроники
IMG 2825 | | hifi-forum.de Bildergalerie
Bq25A BQ 25A Bq2425A Ic BQ, 8 Pins at ₹ 160/pie...
BQ25892 Datasheet(PDF) - Texas Instruments
IMG_2825 - Mountainbike magazine
BQ2758 – GC Shop Egypt