OEZ LTN-16B/3 jistič třípólový - Esvit.cz
Odpínač 3P 16A OT16FT3 montáž do panelu - Sonep...
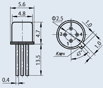
16Ф3П - Музей электронных раритетов
LOVATO P1MB3PT16 OGRANICZNIK MOCY 3P 16A 10kA
sigma 3p 6 ka otomat 3x16 amp
Наконечник болтовой НБ-3-16Н - Трансмаш
AN-16 til 3/4NTP Overgang Sort – Maxam-Tuning –...
ЩЕПСЕЛ ПОДВИЖЕН 16A 3P+N-E в Кабели в гр. Плеве...
3/16" Olive
Odpínač 3P 16A OTP16BA3M v skříňce IP65 - Sonep...
Promítačka OP16 na 16mm film - 3ks | Aukro
Контакт(прав)/16A 3P+E+N 05014866 на топ цена —...
Předkonektorovaný opt. kabel 3,6mm, 24x 1,8mm
אום 3/16 - GET PACKING
OPONA 16 - 3,25 NOWA 3,25-16 6PR 55P MOCNA OS23...
GRUPPEAFBRYDER 3P+N 16A TYTAN1 - EL Shoppen
Коробка разветвительная КЭМ 6-16-3.01 подрозетн...
ОПТ3
Ограничитель пускового тока ОПТ 3-16 - Светосер...
Opaş YPT-313M16 3x16A. 3 Kademe Şalter
Ограничитель пускового тока ОПТ 3-16N - Светосе...
Ограничитель пускового тока ОПТ 3-16NG купить п...
3 - 16 mm: Albrecht Germany - simply the best
BELZER KLUCZ DYNAMOMETRYCZNY 3-16N/m 5904639145...
3ОТ146А, Оптопары, характеристики, применение, ...
Индустриска приклучница 3x16A OG, – LEKS ELEKTRIK
ПЕП 16А трифазен 3Р в Други машини и части в гр...