Irs2092 Amplifier Pinout Datasheet Equivalent C...
IRS2092 for GERBER_OLD - OSHWLab
2pcs-lot-IRS2092STRPBF-IRS2092S-IRS2092-SOP-16-...
IRS2092 Datasheet by Infineon Technologies | Di...
IRS2092 Kit | Connex Electronic
China IRS2092 Modifications? | diyAudio
IRS2092 datasheet(7/18 Pages) IRF | PROTECTED D...
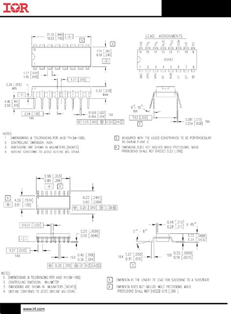
IRS2092 datasheet(5/18 Pages) IRF | PROTECTED D...
IRS2092 for GERBER_07_2021 - OSHWLab
IRS2092 datasheet, Pinout ,application circuits...
IRS2092 HTML VIEW PDF DOWNLOAD - International ...
Irs2092 And Irs2092s Functional Description,app...
IRS2092 datasheet(11/18 Pages) IRF | PROTECTED ...
IRS2092 datasheet(10/18 Pages) IRF | PROTECTED ...
IRS2092 Amplifier Pinout, Datasheet, Equivalent...
Końcówka mocy 2x750W IRS2092 klasa D v1 - Marci...
IRS2092 Resources - EasyEDA
25PCS-IRS2092STRPBF-IRS2092S-IRS2092-100-new-or...
1PCS-LOT-IRS2092STRPBF-SOP16-IRS-IRS20-IRS2092-...
1KW IRS2092 BOARD Service Manual download, sche...
IRS2092 datasheet(4/18 Pages) IRF | PROTECTED D...
10pcs/lot IRS2092STRPBF IRS2092S IRS2092 SOP16|...
1pcs/lot New Original Irs2092s Irs2092strpbf Ir...
Free Shipping 5 10Pcs IRS2092S IRS2092SPBF IRS2...
IRS2092 IR Brand Original | Lazada PH
IRS2092 datasheet(17/18 Pages) IRF | PROTECTED ...
irs2092.pdf
IRS2092 datasheet(16/18 Pages) IRF | PROTECTED ...
5pcs-lot-IRS2092PBF-IRS2092-2092-DIP-16-In-Stoc...
IRS2092 datasheet(4/17 Pages) INFINEON | PROTEC...
IRS2092 IR Amplifier Linear Devices - Veswin El...